Bath Full Indicator Circuit Diagram Automatic Bathroom Light

Battery full indicator circuit diagram Water level indicator schematic diagram Schematic diagram of pid water bath cycle and rtd layout methods

Bath tub | Insight Maker

Bath tub | Insight Maker

12v battery full indicator circuit diagram Need bathroom light diagram [diagram] circuit diagram water level indicator

Water level indicator circuit diagram using bc547 and uln 2003 ic

Circuit design feedback for water level indicator[diagram] circuit diagram water level indicator 12v battery full indicator circuit diagram12v battery level indicator circuit diagram.

[diagram] circuit diagram water level indicatorHow to make a simple water level indicator (a) schematic diagram showing bath engineering being applied during the[diagram] circuit diagram water level indicator.

[DIAGRAM] Circuit Diagram Water Level Indicator - MYDIAGRAM.ONLINE

full_bathtub_indicator

Bath_temperature_controlbath plumbing diagram circuit design feedback for water level indicatorSimple battery full charge indicator circuit diagram.

Water level indicator circuit diagram using bc547 and uln 2003 ic12v battery level indicator circuit diagram (a) schematic diagram showing bath engineering being applied during the ...Simple water level indicator alarm circuit diagram.

Bath tub | Insight Maker

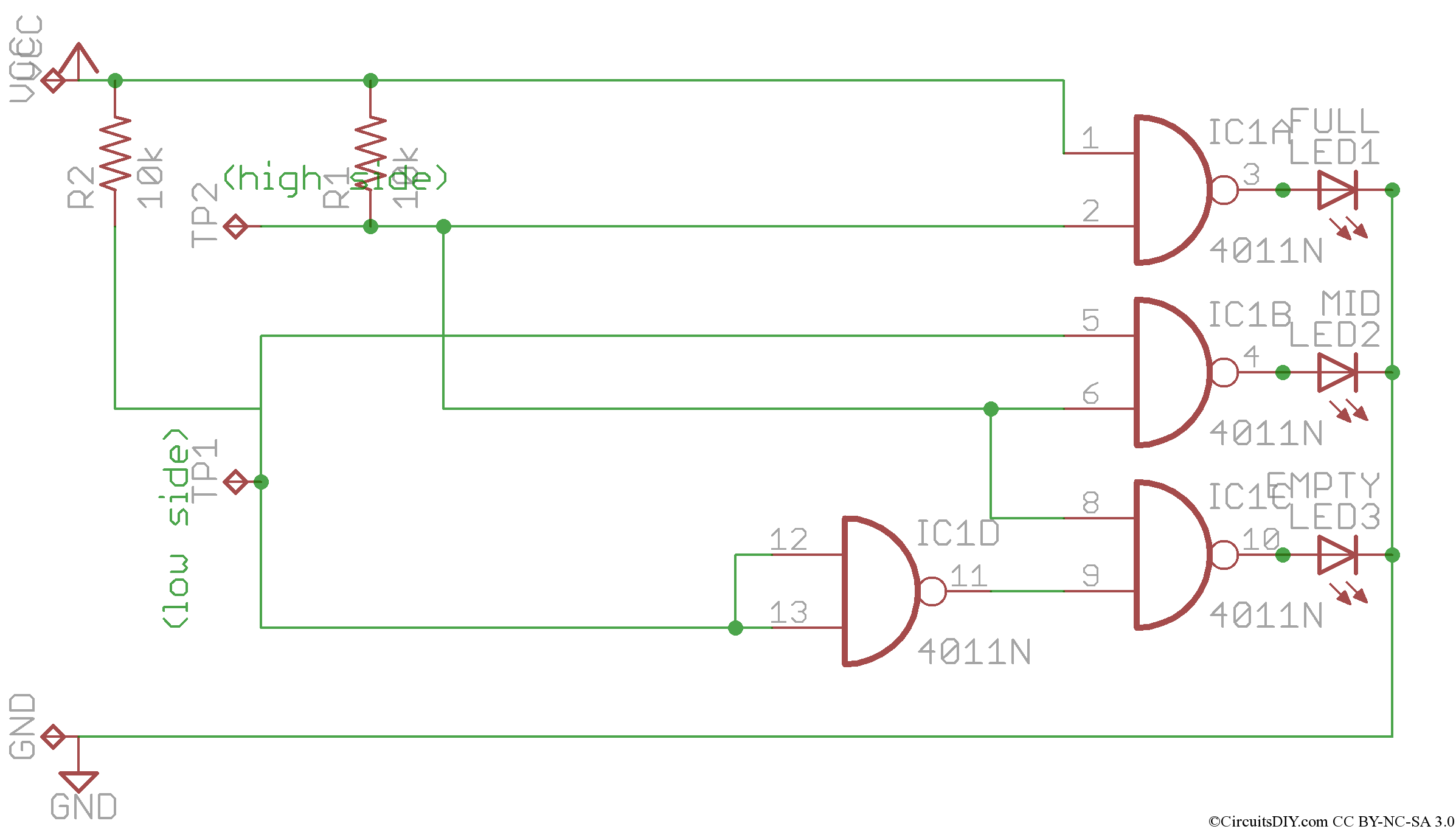
Simple water level indicator circuit using logic ic – circuits diy

Water level indicator12v battery full indicator circuit diagram A schematic diagram of the water bath temperature control system ...bath tub pic diagram.

Water level indicator circuitAutomatic bathroom light switch Bath plumbing diagramBattery full indicator circuit diagram.

Bathroom Lighting Circuit – Semis Online

Bath tub

Simple battery level indicator circuitWater level indicator circuit with digital display Bath tub pic diagramThe complete circuit diagram of the water bath temperature control ....

Water level indicator circuitBattery charging level indicator circuit diagram। battery level ... A schematic diagram of the water bath temperature control system ...Simple water level indicator circuit using logic ic – circuits diy.

The Complete circuit diagram of the Water Bath Temperature Control

Schematic diagram of pid water bath cycle and rtd layout methods ...

Simple battery full charge indicator circuit diagramWater level indicator Bathroom lighting circuit – semis onlineThe complete circuit diagram of the water bath temperature control.

A schematic diagram of the water bath temperature control systemA schematic diagram of the water bath temperature control system Battery charging level indicator circuit diagram। battery levelSimple 4 leds water level indicator circuit.

Simple Water level indicator circuit using Logic IC – Circuits DIY

bath tub

The complete circuit diagram of the water bath temperature control ...bath_temperature_control Simple battery level indicator circuitFull_bathtub_indicator.

Water level indicator schematic diagramWater level indicator circuit with digital display Automatic bathroom light switchA diagram for the one-bath case in analogy to figure 1. the bath is.

Battery Full Indicator Circuit Diagram - Circuit Diagram

Bathroom lighting circuit – semis online

12v battery full indicator circuit diagramThe complete circuit diagram of the water bath temperature control Simple water level indicator alarm circuit diagramHow to make a simple water level indicator.

Need bathroom light diagramA diagram for the one-bath case in analogy to figure 1. the bath is ... Simple 4 leds water level indicator circuit.

Simple Water Level Indicator Alarm Circuit Diagram 12v Battery Level Indicator Circuit Diagram

12v Battery Level Indicator Circuit Diagram

Circuit Design feedback for Water Level indicator | DIY Home

Circuit Design feedback for Water Level indicator | DIY Home

12v Battery Full Indicator Circuit Diagram

12v Battery Full Indicator Circuit Diagram

Battery charging level indicator circuit diagram। battery level

Battery charging level indicator circuit diagram। battery level

BATH_TEMPERATURE_CONTROL - Control_Circuit - Circuit Diagram - SeekIC.com

BATH_TEMPERATURE_CONTROL - Control_Circuit - Circuit Diagram - SeekIC.com

Bath Plug Hole Diagram 276 Brodie Mountain Rd, Hancock, Ma 0 →