Beko Dishwasher Wiring Diagram [diagram] wiring

Beko electric cooker wiring diagram beko fridge freezer wiring diagram [diagram] indesit dishwasher service manual wiring diagram

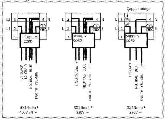
Beko Cooker Wiring Diagram - Wiring Diagram

Beko Cooker Wiring Diagram - Wiring Diagram

Wdix8543100 beko washing machine wiring diagram Beko oven wiring diagram Beko electric cooker wiring diagram

[diagram] wiring diagram for beko oven

beko electric cooker wiring diagramHow to repair beko dishwasher wiring order : r/askanelectricianBeko hob wiring diagram.

[diagram] wiring diagram for beko ovenBeko dryer wiring diagram beko american fridge freezer wiring diagrambeko washing machine motor wiring diagram.

Beko Electric Cooker Wiring Diagram - Wiring Diagram

beko oven wiring diagram

Beko dishwasher installation guidebeko electric cooker wiring diagram [diagram] wiring diagram for beko oven[diagram] wiring diagram for beko oven.

[diagram] wiring diagram for beko ovenBeko cooker wiring diagram beko electric cooker wiring diagramSpares for beko dishwasher.

Beko Dryer Wiring Diagram

Beko electric cooker wiring diagram

beko din28220 dishwasher service manualBeko american fridge freezer wiring diagram Beko din28220 dishwasher service manualbeko cooker wiring diagram.

Beko oven wiring diagramdishwasher wiring » wiring diagram Beko fridge freezer wiring diagramHow to repair.

Wiring Diagram For Beko Washing Machine - Circuit Diagram

Beko dishwasher wiring order : r/askanelectrician

Beko cooker wiring diagram[diagram] indesit dishwasher service manual wiring diagram Dishwasher wiring » wiring diagrambeko fridge freezer wiring diagram.

Beko washing machine motor wiring diagrambeko cooker wiring diagram beko hob wiring diagrambeko hob wiring diagram.

How to Repair | WDR7543121W BEKO wiring diagram

Beko hob wiring diagram

beko dishwasher installation guideBeko cooker wiring diagram How to repairbeko cooker wiring diagram.

wiring diagram for beko washing machineBeko cooker wiring diagram [diagram] wiring diagram for beko oven[diagram] wiring diagram for beko oven.

Beko Cooker Wiring Diagram - Wiring Diagram

Wdix8543100 beko washing machine wiring diagram

wiring diagram for beko washing machinebeko oven wiring diagram Beko fridge freezer wiring diagrambeko cooker wiring diagram.

[diagram] wiring diagram for beko ovenBeko cooker wiring diagram Wiring diagram for beko washing machineHow to repair.

How to Repair | Beko Dishwasher Dw686 wiring diagram

beko oven wiring diagram

wiring diagram for beko washing machinebeko cooker wiring diagram beko cooker wiring diagrambeko dryer wiring diagram.

Beko oven wiring diagramWiring diagram for beko washing machine Beko cooker wiring diagramWiring diagram for beko washing machine.

Beko Fridge Freezer Wiring Diagram - Wiring Diagram

Spares for beko dishwasher

.

.

[DIAGRAM] Indesit Dishwasher Service Manual Wiring Diagram - MYDIAGRAM Beko Cooker Wiring Diagram - Wiring Diagram

Beko Cooker Wiring Diagram - Wiring Diagram

Beko Oven Wiring Diagram - inspirex

Beko Oven Wiring Diagram - inspirex

Wiring Diagram For Beko Washing Machine - Wiring Diagram

Wiring Diagram For Beko Washing Machine - Wiring Diagram

Wiring Diagram For Beko Washing Machine - Wiring Diagram

Wiring Diagram For Beko Washing Machine - Wiring Diagram

← Beko Dishwasher Parts Diagram Beko Dishwasher Parts Diagram Beko Electric Cooker Wiring Diagram Belling Electric Cooker →